Garnitură de etanşare EDS, gri deschis

Nr. art. 2011514 | EAN 4012195246916

gri deschis; RAL 7035
Descrierea produsului
Descrierea produsului
Dop de etanșare pentru doză de derivatie pentru instalarea directă a tevilor metrice
  • Communautés Européennes, Declaraţia de conformitate a Comunităţii Europene conform directivelor Comunităţii Europenedie ungemuffte Seite
  • Tip de protecţie IP 55
  • Intrare M25
  • Intrare M32
  • Intrare M40
  • CO₂ footprint (PCF)
Date tehnice

Amprentă de CO2 (Product Carbon Footprint)

Amprenta CO2 (GWP) de la leagăn la poartă 0,0155 kg CO2e / 1 Bucată
Culoare gri deschis; RAL 7035
Diametru nominal 25 mm
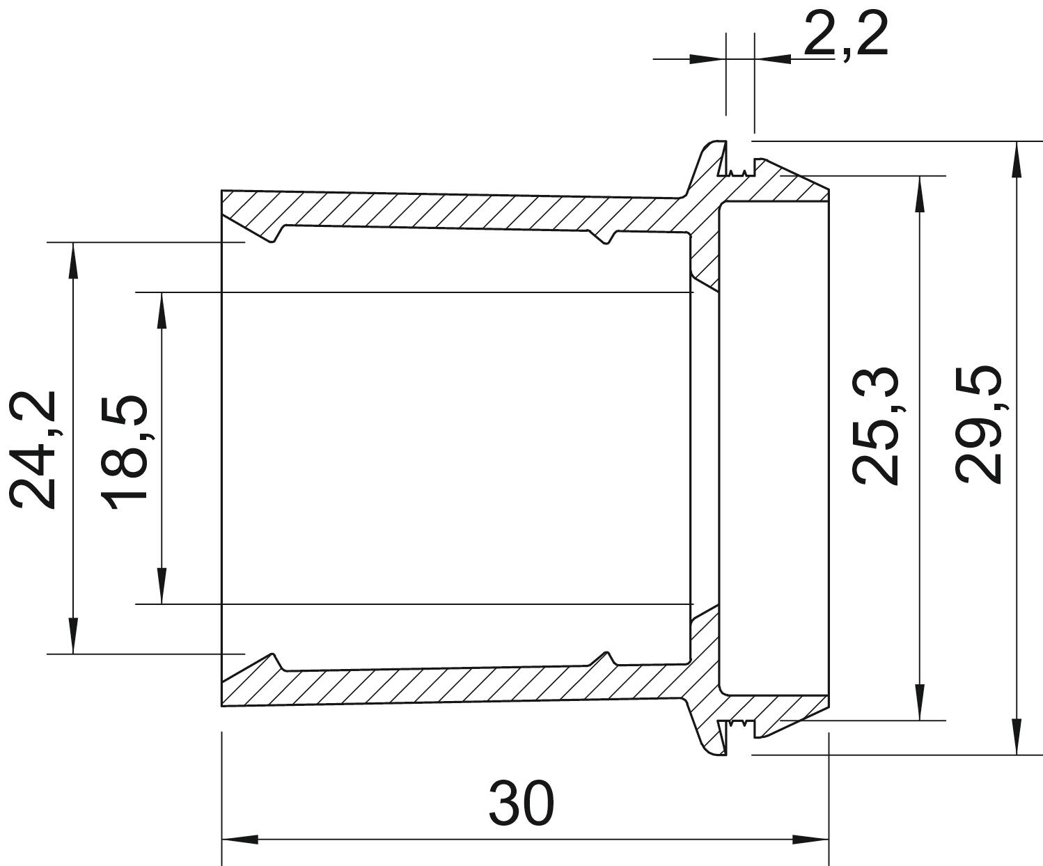
Dimension D4 24,2 mm
Dimensiune M25
Dimensiune Ø25/20-25
Dimensiune A 2,2 mm
Dimensiune D2 25,3 mm
Dimensiune L 30 mm
Dimensiune D1 29,5 mm
Dimensiune D3 18,5 mm
fără halogeni da
Material Elastomer termoplastic
pentru diametru max. 25 mm
pentru diametru min. 20 mm
pentru o grosime a peretelui max. 2,2 mm
pentru o grosime a peretelui min. 2,2 mm
Tip de protecţie IP55
Variantă deschis
Toate tipurile

Toate tipurile

Tip pentru diametru min. pentru diametru max. Dimensiune Culoare Nr. art. Cantitate cea mai mică unitate de vânzare
EDR 25 20-25 LGR 20 mm 25 mm M25 gri deschis; RAL 7035 2011514
50 Bucată
EDR 32 25-32 LGR 25 mm 32 mm M32 gri deschis; RAL 7035 2011530
50 Bucată
EDR 40 32-40 LGR 32 mm 40 mm M40 gri deschis; RAL 7035 2011546
25 Bucată
Materiale de descărcat

Descărcare

EDR 25 20-25 LGR / 2011514
Descărcare