- Descrierea produsului
 - 
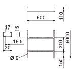
            Descrierea produsuluiPod de cabluri cu lonjeron perforat cu înălţimea 110 mm cu traverse din profil C nituite.
Atenuare magnetică datorată ecranării fără capac 10 dB, cu capac 15 dB.
Podul de cabluri se livrează pliat.
Brida U corespunzătoare de tipul 2056 o găsiţi în capitolul "Sisteme de poduri de cabluri verticale".
 - 
                
 - Date tehnice
 - 
        
Date tehnice
Amprenta CO2 (GWP) de la leagăn la poartă 11,2828 kg CO2e / 1 Metru Culoare zinc Dimensiune 110x600x6000 Dimensiune 110x600x6000 Dimensiunea fantei traversei 16,50 Dimensiune B 600 mm Distanţa dintre reazeme 2,0m 3,1 kN/m Distanţa dintre reazeme 2,5m 2 kN/m Distanţa dintre reazeme 3,0m 1,4 kN/m Distanţa dintre reazeme 3,5m 0,9 kN/m Distanţa dintre reazeme 4,0m 0,65 kN/m Distanţa dintre reazeme 4,5m 0,55 kN/m Distanţa dintre reazeme 5,0m 0,5 kN/m Distanţa dintre reazeme 6,0m 0,15 kN/m Distanţa dintre traverse 300 mm Execuţie lonjeron lateral profil plat Fixare traversă nituită înfundată grosimea lonjeronului 1,5 mm Înălţime 110 mm Lăţimea 600 mm Lungime 6000 mm Material Oţel Menținerea în funcțiune nu Oțel inoxidabil, băițuit nu Perforaţie laterală da Secţiune utilă 568 cm² Secţiune utilă 56800 mm² Suprafaţă zincat în bandă Variantă pentru încărcări mari nu Variantă traverse Profil perforat Date tehnice
Diagramă încărcare pod de cabluri tip LG 110 VS
                                    - 
                                                                                                    
                                                    Încărcare admisibilă a jgheabului/podului vertical de cabluri în kN/m, fără greutatea unui om
                                                                                             - 
                                                                                                    
                                                    Lăţime între reazeme în m
                                                                                             - 
                                                                                                    
                                                    Săgeată lonjeron, în mm la kN/m admişi
                                                                                             - 
                                                                                                    
                                                    Schema de încărcare la procedeul de efectuare a probelor
                                                                                             - 
                                                                                                    
                                                    Curbă de încărcare cu lăţimea jgheabului/podului de cabluri în mm
                                                                                             - 
                                                                                                    
                                                    Curba săgeţii lonjeronului în funcţie de distanţa între reazeme
                                                                                             
 - 
                                                                                                    
 - Toate tipurile
 - 
        
Toate tipurile
 - Materiale de descărcat
 - 
        Specificații LG 116 VS 6 FS / 6216454 , 0.24MB , pdfDeclarație de conformitate UE LG 116 VS 6 FS / 6216454 , 0.12MB , pdfDeclarație de Conformitate pentru UK LG 116 VS 6 FS / 6216454 , 0.09MB , pdfREACH Declarație de conformitate LG 116 VS 6 FS / 6216454 , 0.12MB , pdfRoHS Declarație de conformitate LG 116 VS 6 FS / 6216454 , 0.12MB , pdfDeclarație de mediu pentru produs (EPD) LG 116 VS 6 FS / 6216454 , 1.48MB , pdfInstrucțiuni de montaj Intrucțiuni de montaj pentru sisteme de poduri pentru cabluri , 6.45MB , pdfInstrucțiuni de montaj General information on the mounting , 2.65MB , pdf
 
								
	
		
			
			
				
					România - Română
				
			
			
	
			
		
	
							
							
            
            
            
            
                    
                    
                
                
                
                
                
                
                            Legătură longitudinală FS
                        
                            Capac cu zăvoare FS
                        
                            Perete de separaţie 85 FS
                        
                            Capac de protecţie
                        
                            Clemă pentru prinderea peretelui de separaţie A2